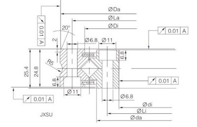
JXSU Series Crossed Roller Bearing
- Outer diameter: 205mm~435mm
- Rated load: 65KN~580kN
Compared to JRU series crossed roller bearing, although having the same thin-walled construction, JXSU series crossed roller bearing has more compact size (outer diameter: 205mm-435mm) and higher running accuracy (P5, P4, P2) and is ideal for applications requiring limited installation space and high precision.
Tags
LYJW is a professional manufacturer of slewing bearings and we can design and manufacture slew ring bearings, precision bearings, slew drives and custom bearings for construction, engineering, mining, marine, chemical, military, wind turbine, medical equipment, and many other industries.
By virtue of expertise team, advanced manufacturing technologies and strict quality management system, LYJW takes the lead in the R&D of slewing bearings, which are designed with reasonable construction, light weight, good load carrying capacity and high versatility. The bearings’ diameters range from 200 to 15000mm and the accuracy covers PO, P6 and P5 class. Now, we can manufacture CCS, ABS, BV, GL and other certified bearings.
We adhere to the business principle of “Quality and Integrity” and we’ll keep providing outstanding bearings and superior services to serve global customer.
Related Products
- JRA Series Crossed Roller Bearing
- JRB Series Crossed Roller Bearing
- JRE Series Crossed Roller Bearing
- JRU Series Crossed Roller Bearing
- JXSU Series Crossed Roller Bearing
- CRBH Series Crossed Roller Bearing
- CRBTF Series Crossed Roller Bearing










